TPO系列手動蝶閥

手動蝶閥普遍適用于建材、玻璃、礦山、電力、輕工、造紙等行業的通風、環保工程等管道系統中。對管道中氣體介質按不同控制信號調節流量大小和切斷。TPO系列規格符合天津水泥工業設計院編印的“水泥工藝設計手冊”的要求。
結構特點
手動蝶閥采用優質碳素鋼焊接。具有重量輕、結構緊湊、流阻損失小、操作靈活、指示方位明確、維護方便、使用壽命長等優點,可任意安裝,特別適合架空管道。配用蝸輪傳動裝置切換,開關輕松自如,任意調節閥門開度,是調節流量的理想設備。
性能參數
.jpg)
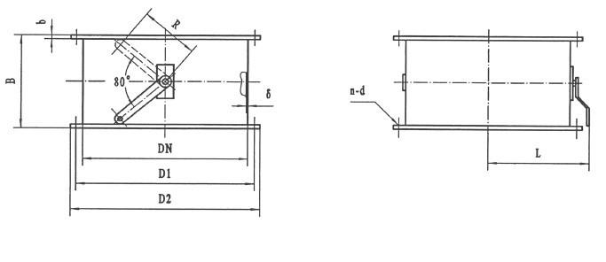
TPO-13外形連接尺寸
|
DN |
D1 |
D2 |
B |
b |
δ |
R |
L |
n-d |
重量W(Kg) |
|
250 |
305 |
350 |
180 |
6 |
2 |
200 |
193 |
8-Φ14 |
14 |
|
300 |
355 |
400 |
180 |
8 |
2 |
200 |
218 |
12-Φ18 |
10 |
|
350 |
405 |
450 |
210 |
8 |
2 |
200 |
243 |
12-Φ18 |
22 |
|
400 |
455 |
500 |
240 |
8 |
2 |
200 |
268 |
12-Φ18 |
25 |
|
450 |
505 |
550 |
270 |
8 |
2.5 |
260 |
283 |
16-Φ18 |
27 |
|
500 |
555 |
600 |
300 |
8 |
2.5 |
260 |
308 |
16-Φ18 |
32 |
|
550 |
605 |
650 |
330 |
8 |
2.5 |
260 |
333 |
16-Φ18 |
35 |
|
600 |
655 |
700 |
360 |
8 |
2.5 |
260 |
358 |
16-Φ18 |
40 |
|
650 |
705 |
750 |
390 |
8 |
2.5 |
300 |
403 |
16-Φ18 |
48 |
|
700 |
755 |
800 |
420 |
8 |
3 |
300 |
428 |
16-Φ18 |
61 |
|
800 |
855 |
900 |
480 |
10 |
3 |
300 |
478 |
20-Φ22 |
84 |
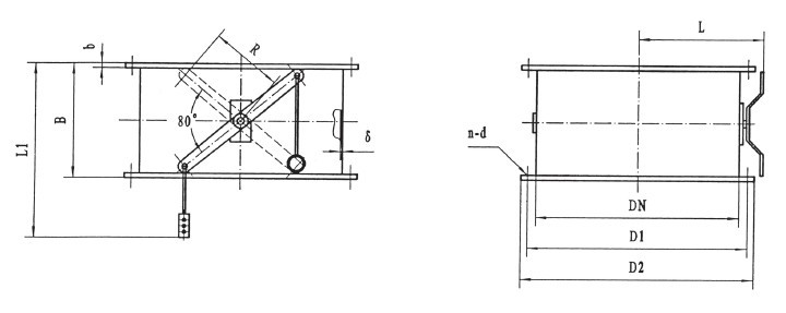
TPO-14外形圖

TPO-14外形連接尺寸
|
DN |
D1 |
D2 |
B |
b |
δ |
R |
L |
L1 |
n-d |
重量W(Kg) |
|
250 |
305 |
350 |
180 |
6 |
2 |
110 |
193 |
546 |
8-Φ14 |
14 |
|
300 |
355 |
400 |
180 |
8 |
2 |
110 |
218 |
546 |
12-Φ18 |
20 |
|
350 |
405 |
450 |
210 |
8 |
2 |
110 |
143 |
546 |
12-Φ18 |
22 |
|
400 |
455 |
500 |
240 |
8 |
2 |
110 |
268 |
546 |
12-Φ18 |
26 |
|
450 |
505 |
550 |
270 |
8 |
2.5 |
200 |
298 |
337 |
16-Φ18 |
36 |
|
500 |
555 |
600 |
300 |
8 |
2.5 |
200 |
323 |
337 |
16-Φ18 |
40 |
|
550 |
605 |
650 |
330 |
8 |
2.5 |
200 |
348 |
337 |
16-Φ18 |
44 |
|
600 |
655 |
700 |
360 |
8 |
2.5 |
200 |
373 |
337 |
16-Φ18 |
50 |
|
650 |
705 |
750 |
390 |
8 |
2.5 |
300 |
420 |
1124 |
16-Φ18 |
78 |
|
700 |
755 |
800 |
420 |
8 |
3 |
300 |
445 |
1124 |
16-Φ18 |
90 |
|
800 |
855 |
900 |
480 |
10 |
3 |
300 |
495 |
1124 |
20-Φ22 |
112 |


