星型卸灰閥
一、概述
三、性能參數
星型卸灰閥也稱為電動鎖氣器、回轉下料器、鋼性葉輪給料機,是閥門的一種,星型卸灰閥依靠物料的重力作用及給料機工作機構的強制作用,將倉內的物料卸出并連續均勻地喂入下一裝置中去。星型卸灰閥的優點是:工作平穩可靠、卸料均勻準確、結構優化、體積小、密封性能好、維護方便、輕便節能、使用壽命長等等。也是干燥、粉塵、顆粒、固體輸送設備不可缺少的設備之一。
星型卸灰閥主要由電機、減速機、殼體、葉輪、主軸、軸承、左右端蓋組成。采用優質鋼板焊接結構,葉片耐磨性強,集傳動裝置、傳動軸、葉片聯為一體。由于星型卸灰閥的軸承和減速機都是向外凸出,能夠避免粉塵擠進軸承和大顆粒物料卡死現象。 工作時由減速電機通過聯軸帶動葉輪轉動,把殼體上部的物料均勻帶到下部,由下一個裝置把物料送走。所以,星型卸灰閥只能直立安裝,而不允許水平安裝,給料機的上部要保持一定的料柱。
二、結構特點
該卸灰閥采用優質鋼板焊接結構,葉片耐磨性強,傳動裝置、傳動軸、葉片聯為一體。工作平穩可靠,落料均勻,輕便節能。

三、性能參數

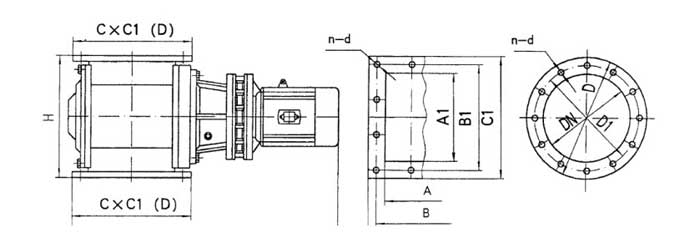
四、星形卸灰閥外形圖
.jpg)
五、GLF-C、GLY-C主要外形連接尺寸
.jpg)


